• г. Долгопрудный, Новое шоссе, вл.38
  • Работаем по г. Колумбус и в других регионах
  • пн-пт: 9-20
  • сб-вс: 9-18

calculator1600

Узнай стоимость ремонта

Выбери марку и модель бетононасоса.

О сервисе

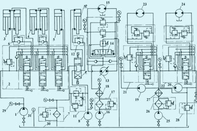
Специалисты нашей компании на профессиональном уровне оказывают услуги по диагностике, ремонту и техническому обслуживанию бетононасосов (Putzmeister, Cifa, Reed, Schwing, Liebherr, Mecbo, Zoomlion, Sany).

На нашем складе и под заказ есть всегда в наличии запчасти для бетононасосов различных марок, срок доставки запчастей составляет не более 10 дней.

Контакты

+7 (915) 895-68-28

Новое шоссе, 38, Долгопрудный, Московская область, Россия

info@remont-betononasosa.ru


улица Евдокимовская, 11, Индустриальный, Краснодарский край, Россия